[生产终止] HLV-24SW-3W
- 标准品
- 生产终止品
Not available from Jul/31/2011".
The recommended alternative model is HLV2-22SW-3W.
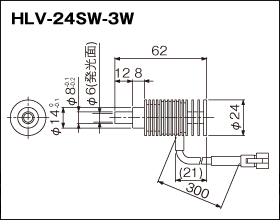
This Light Unit emits white light and has an outer diameter of 24 mm"
- Note: Select one of the PJ-series Control Units for this Light Unit. 2-channel or 3-channel units which operate on a 100 VAC or 24 VDC input are available.
外形尺寸图(mm)

线缆
选件
电源
资料下载
产品类别
-
图像处理光源
环形
环形低角度
环形(防水型)
条形(区域)
方形低角度
平面
平面无影
线状图案
圆顶
同轴
圆柱
超亮频闪光源
紫外光源/紫外光
红外光源(~1000nm)
红外光源(~1000nm)
聚光
Fiber Heads
光源机
线扫(集光)
线光(扩散光)
线光(斜光)
基准光源
外观缺陷检测用光源
特殊定制品
IU系列
OLED(CCS-LT)
Effilux产品
Basler相机照明系列
- BCL Series (Bar Light)
- BCR Series (Ring Light)
- BCBL Series (Flat Light)
- BCF Series (Flood Light)
- BCL Series (Bar Light) Diffusion Plates
- BCR Series (Ring Light) Diffusion Plates
- BCF Series (Flood Light) Transparent Plate
- BCL Series (Bar Light) Light Polarizing Plates
- BCR Series (Ring Light) Polarizing Plates
- BCF Series (Flood Light) Polarizing Plates
- BCR Series (Ring Light) Light Adapter
- BCL Series (Bar Light) Light Bracket
- Basler Camera Light dedicated cable
-
电源
数字电源
频闪电源
High Power Strobe Control Unit
支持PoE的控制器
EtherNet/IP兼容控制器
LED Light Controller
HLV系列专用电源
High-capacity Constant-current Control Units
High-capacity Analog Control Unit
CCS AItec专用线缆
-
线缆
单通道线缆
2分支线缆
4分支线缆
机器人线缆
2分支机器人线缆
4分支机器人线缆
Straight Cables [EL connector type]
2-way Cables [EL connector type]
Extension Cable [for PF Series]
Straight Cables for metal connector (7 pins)
Straight Cables for metal connector (37 pins)
Straight Cables for M12 connector
External Control Cables
Relay Connector
AC线缆
-
选件
滤镜
Diffusion Plates
Polarizing Plates
Light Control Films
Protective Plates
Adapter [for the CSR Series]
Lens Attachment Rings
固定夹具
Fixtures
转换器
Coaxial Units
反射板
集光镜头
-
镜头
-
软件工具
电源程序
电源版本升级工具
-
聚合生物
植物研究用LED光源
ISL-150X150 Series Unit
ISL-150X150 series cables
-
目视・显微镜
显微镜用光源











_p.gif?t=20170530000000)
_p.gif?t=20170530000000)
_p.gif?t=20170530000000)

_p.gif?t=20170530000000)
_p.gif?t=20170530000000)
_p.gif?t=20170530000000)
_p.gif?t=20170530000000)
测试样机出借
微信咨询
咨询表格
据点列表